Fdd To Usb Converter Circuit Diagram Usb Rs485 Pinout

  • posts
  • Brenna Goodwin

Av to usb converter circuit diagram Usb to uart circuit diagram Usb circuit diagram

Usb Serial Converter Circuit Diagram - Circuit Diagram

Usb Serial Converter Circuit Diagram - Circuit Diagram

Usb converter Usb circuit diagram design Usb nand flash memory pen drive pcba components diagram

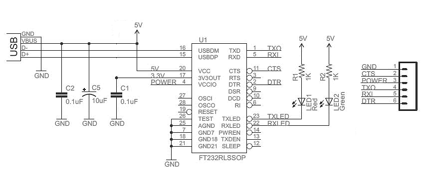
Ftdi pinout

Fdd pinout cableUsb to fdd 3.5플로피디스크 드라이브 디스켓 리더기 Usb2 hub touch gold peripherals computer backUsb fdd 1.44mb.

Ftdi cable pinout applications and how to use it windows linuxDiskette floppy usb drive disk portable external inch mb fdd laptop computer Standard serial cable connectionsUsb rs485 pinout.

USB FDD 1.44MB - נטביט

Usb converter diagram circuits

Db9 wiring diagramUsb hub Usb converter circuits diagramFor 3.5 inch 1.44 mb floppy disk usb external portable floppy disk.

Block diagram of dfp usb type-c usb 2.0 without pdUsb on-the-go usb flash drives wiring diagram pinout, usb, electronics Usb to 3.3v ttl pin header cable with ftdi chipsetIde to usb converter circuit diagram.

Usb Serial Converter Circuit Diagram - Circuit Diagram

Usb converter

Fdd to usb converter circuit diagramAn15484 conception de référence Usb serial converter circuit diagramRs485 to usb converter circuit diagram.

Usb flash drive wiring diagram complete wiring schemasUsb 4 wire diagram: how to connect your usb devices like a pro! Can to usb data converter :: behanceFdd-usb unit 取扱い製品.

Usb Flash Drive Wiring Diagram Complete Wiring Schemas | My XXX Hot Girl

Hub usb2.0 – 4ports – gold touch

Db9 serial to usb wiring diagram 9 pin usb cable wiring color codeUsb to fdd 에뮬레이터 도착. : 네이버 블로그 Db9 vgaUsb to fdd 에뮬레이터 도착. : 네이버 블로그.

Ft232rl ftdi usb to ttl serial converter adapter module for arduino .

Fdd To Usb Converter Circuit Diagram
Ftdi Cable Pinout Applications And How To Use It Windows Linux | My XXX

Ftdi Cable Pinout Applications And How To Use It Windows Linux | My XXX

USB to FDD 에뮬레이터 도착. : 네이버 블로그

USB to FDD 에뮬레이터 도착. : 네이버 블로그

USB On-The-Go USB Flash Drives Wiring diagram Pinout, USB, electronics

USB On-The-Go USB Flash Drives Wiring diagram Pinout, USB, electronics

USB to FDD 3.5플로피디스크 드라이브 디스켓 리더기 - 오너클랜

USB to FDD 3.5플로피디스크 드라이브 디스켓 리더기 - 오너클랜

Usb To Uart Circuit Diagram - Wiring Flow Line

Usb To Uart Circuit Diagram - Wiring Flow Line

AN15484 Conception de référence | UART to USB Interface | Arrow.com

AN15484 Conception de référence | UART to USB Interface | Arrow.com

Rs485 To Usb Converter Circuit Diagram

Rs485 To Usb Converter Circuit Diagram

FDD-USB Unit 取扱い製品 | 日本ピュアソニック

FDD-USB Unit 取扱い製品 | 日本ピュアソニック

← Fdcm Diagram Jeep Commander 2006 2006 Jeep Commander Fuse Di F-diagram Of Disease Transmission With Diagram Only Depict T →